El jumbo hidráulico para perforación tipo micro HT70-B es un equipo de perforación de pozos de profundidad media a profunda, diseñado para túneles subterráneos de sección pequeña. Es adecuado para perforar pozos paralelos verticales o inclinados, así como barrenos de voladura en abanico.
El jumbo hidráulico para perforación está equipado con dos púas estables, un indicador de ángulo de alta precisión y una consola de control remoto ergonómica. Combinadas con una perforadora hidráulica eficiente, estas características facilitan operaciones de perforación seguras, precisas y confiables. El brazo de alta estabilidad proporciona un posicionamiento preciso y una alta precisión de perforación, lo que ayuda a reducir la dilución del mineral.
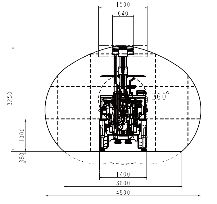
| Jumbo hidráulico para perforación | Sección transversal adecuada | 2800×2800 - 4000×4000mm |
| Dimensiones (Lx An xAl) | 4150×1400×2200mm | |
| Distancia al suelo | 280mm | |
| HT70B(CYTC70B) | Radio de giro mínimo | Interior 2100 mm / Exterior 3500 mm |
| Gradeabilidad | 14° | |
| Peso total | 5500kg | |
| Perforadora hidráulica RC2200 | Potencia de percusión | 21kW |
| Frecuencia de percusión | 55Hz | |
| Presión de impacto | 200bar | |
| Sistema de rotación | Rotación independiente | |
| Velocidad de rotación | 0-285r/min | |
| Par rotatorio máximo | 720N.m | |
| Sistema de alimentación | Longitudes de alimentación | 2550 / 2770 / 3000mm |
| Rosca de varilla de perforación | T38 / T45 | |
| Longitud de la varilla de perforación | 800 / 915 / 1220mm | |
| Peso del alimento | 800/950/1050kg | |
| Fuerza de alimentación | 13kN | |
| Capacidad de almacenamiento de varillas | 14+1 (T38) / 12+1 (T45) | |
| Sistema eléctrico RC2200 | Potencia total | 87.5KW |
| Motor eléctrico principal | 75kW | |
| Voltaje | 380V (optional) | |
| Compresor de aire | Modelo | GCU11 |
| Desplazamiento de aire (8 bar) | 1 m³/min | |
| Voltaje | 380V (opcional) | |
| Pluma | Carrera de compensación | 900mm |
| Ángulo de vuelco de alimentación | 180° | |
| Ángulo de inclinación | Adelante -30°, atrás +65° | |
| Peso de la pluma | 750kg | |
| Rango de agujeros paralelos | 1500mm | |
| Sistema hidráulico | Capacidad del tanque de aceite | 120L |
| Finura del filtro | 10μm | |
| Sensor | Sensor de presión diferencial para filtro de aceite hidráulico | |
| Bomba | Bomba de aceite manual | |
| Chasis | Oscilación del eje trasero | 7° |
| Neumáticos | Delantero: 8.25-10 | |
| Trasero: 6.5-10 | ||
| Tracción | Tracción delantera | |
| Dirección | Dirección de las ruedas traseras | |
| Freno | Freno de servicio/freno de estacionamiento |
Huatai es una empresa china especializada en el diseño y la producción en serie de equipos de perforación de rocas. Desde nuestra creación en el año 2000, en Huatai nos hemos dedicado a la fabricación de productos de vanguardia y a proporcionar servicios integrales a varias empresas en los sectores de la minería, metalurgia e ingeniería de cimientos.
Huatai lleva 20 años innovando y desarrollándose en el sector de la minería subterránea y la perforación de rocas, superándose constantemente y llenando una serie de vacíos en el mercado chino. En la actualidad, nuestra gama de productos incluye más de 30 tipos de martillos mineros divididos en tres categorías principales, que son, equipos de minería subterránea, equipos de minería de carbón y máquinas para la perforación de pozos. A través de años de crecimiento y mejora continuos, hemos logrado ganar una buena reputación en la industria nacional de perforación de rocas, mejorando la seguridad, la eficiencia y la rentabilidad de los trabajos de minería subterránea y las operaciones de construcción de túneles.
El jumbo hidráulico de perforación de pozos GYSJZ es una máquina de perforación especializada y de alto rendimiento desarrollada para satisfacer las demandas de la excavación de pozos verticales profundos y de roca dura. La maquinaria de perforación está impulsada por un robusto motor de 132kW y equipada con tres derivadores hidráulicos de alta resistencia, lo que le permite manejar diámetros de perforación de 4 a 6 metros.
Más +
El jumbo de perforación de pozos YSJZ es una máquina de perforación de rocas diseñada específicamente para la construcción de pozos en minas de mineral de hierro y metales no ferrosos. El equipo de perforación de pozos es una excelente opción para proyectos de minería y construcción subterránea en los que no se puede recurrir a otros métodos de perforación debido a limitaciones técnicas o económicas.
Más +
La perforadora de eje vertical de la serie SJZ es un equipo diseñado especialmente para la perforación de barrenos para la construcción de pozos verticales. Es adecuada para perforar pozos de varios diámetros y se caracteriza por su funcionamiento flexible, su posicionamiento preciso, su seguridad y su fiabilidad.
Más +
Diseñada específicamente para formaciones rocosas de dureza media, el drifter hidráulico o martillo de perforación hidráulico RC600 ofrece una perforación potente y precisa en una amplia gama de aplicaciones exigentes.
Más +